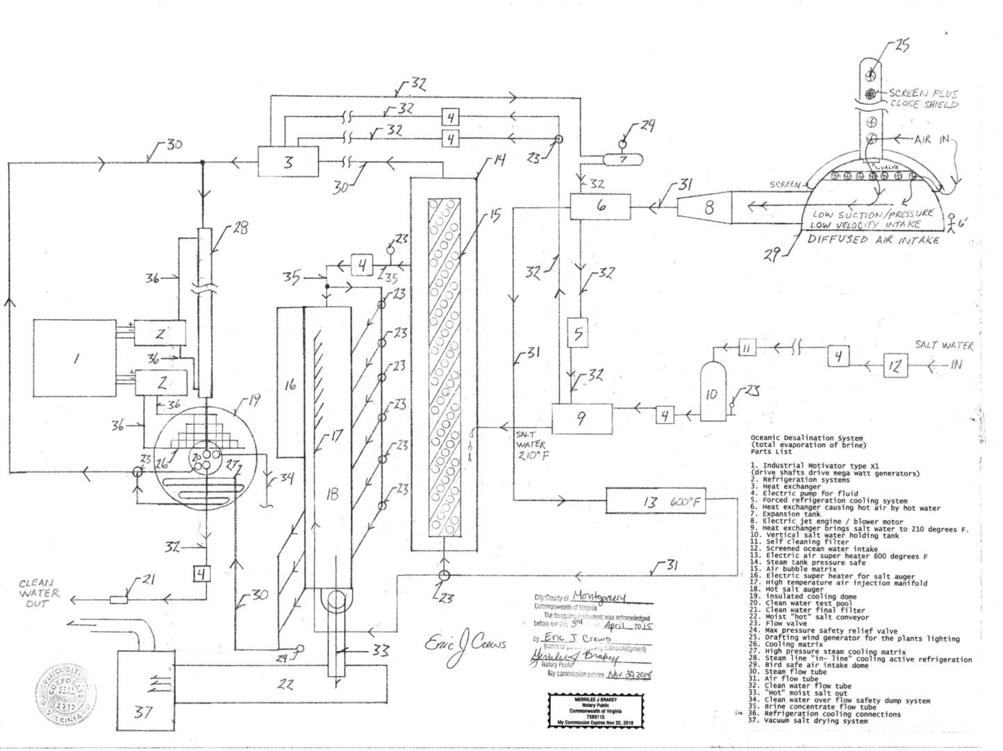
Oceanic Desalination






























 

This system is intended for oceanic desalination at high volume for agricultural applications  and urban water supply.  The system is powered by a gravity drive ( listed at
http://www.designdeskinc.com/gravity-drive.html ) or the Motivator Type X1  augmented with mega watt industrial electrical generators driven by the out put drive shafts of the Motivator Type X1.  The generator system powers all electrical requirements for the distillation system making it cost effective to provide clean water for agriculture. The electric jet engine system will also provide excess current to power the ozone producing Tesla coil with the ozone used for water disinfecting at the final filter.

In my opinion...this type of distillation system is superior to current desalination systems ( reverse osmosis systems )  because it will totally evaporate the brine (salt concentrate) and direct the salt to safe storage not dumping it into the ocean like current reverse osmosis systems do. This will provide for a healthier water front and not damage the marine life by ultra high salt levels in the water. Their is also ,with this system, a zero carbon foot print for the systems operation. It's unlimited clean water and fuel less electricity production by the Motivator type X1 for unlimited fluid pumping and electricity requirement for distillation operation.

Because of the nature of this system material selection for construction is critical. We recommend stainless steel tubing wrapped by carbon graphite composite and a second tube system with larger circumference of the same material to then act as a safety pressure dump should pressure loss occur in the inner tube.  Fault indicator pressure sensors will trigger alarms alarms and the master computer will adjust the systems flow and temperature cycles also shutting down if necessary. Through out the system are flow rate indicators of the fluid cycles and the computer will also monitor and adjust the water heating systems. Cooling system listed at source 
http://www.designdeskinc.com/air-stratifier.html

The final filter in the design may incorporate a modified reverse osmosis system augmented with ozone purification. There is a reason for the redundancy so please allow it in logical evaluation. We are concerned with producing the highest quality product. The ozone can be derived from a fuel less Tesla coil in its own enclosure. The ozone system should be designed so that it will be able to repair the Ozone Layer should gamma ray burst occur. Better safe than un prepared...and the cost is worth it...

Number 19 (cooling dome) is a double dome with the cooling systems between the two domes. There should be allowed enough space for operational repair should component failure to occur. Since the discharge into the clean water pool is at high velocity the pool must be deep, well like, and the volume of mixed air and cold water the air pressure must be vented because it is high  pressure in the inner dome number 19. A forced air system to cool the condensers for the refrigeration systems extracted from the cooling dome can be installed .

A mixer will be developed where the steam/ water mix encounters the steam flow coming from the air bubble matrix. The mixer can get to the point that the tube from the super heater salt auger will be spraying cold water into the high pressure steam coming from the air bubble matrix.

Very large installations may require the Mass Table design listed on our site. This distillation system will provide greater clean water discharge per dollar of investment than current desalination systems . With the fuel less generators the operating cost then becomes null providing clean water for agriculture cost effective. The system as illustrated can be augmented by adding multiple air injection systems (as much as generated current will allow), also more salt water injection systems and more brine discharge and auger systems to increase clean water output volume.

Within number 2 the cooling system uses vacuum boiling ( post distillation )  to cause the cold cycle refrigerated water mist to then assist in the condensation of the steam produced when the water is vaporized.....  the reason heat is chosen for the vapor production vs. vacuum boiling to separate the salt is that extremophiles that dwell in cold might enter the vacuum / low pressure  vacuum boiling system and carry into the final product.

Humanity has had problems with clean water for very long periods.....We can correct the condition.


*Note -  using this system should also be accompanied by fuel less out door refrigeration and the solar radiation diffuser satellites listed at http://www.designdeskinc.com/solar-radiation-diffuser-satellite.html

This will reduce the chance water reactivity out of control....

Private and Governmental partnerships welcome...please inquire...






Geoengineering - Climate Change Mitigation

Design Desk Inc.